FETMOSMOSFET
MOSFET a canale N
CMOSMOSFETFETQuesta famiglia di transistori (Field Effect Transistor) sono caratterizzati dal fatto di essere pilotati da un Campo Elettrico.
Tra tutti i transistori che appartengono alla famiglia, noi ci concrentriamo nell’analisi e lo studio della famiglia MOSFET (Metal Oxide Semiconductor Field Effect Transistor).
Oltre a questi esistono altri tipi di transistori FET come il JFET (Junction FET) o il MESFET, che non affronteremo in questo corso.
In generale il MOSFET è un generatore di corrente controllato in tensione.
La sua invenzione risale agli anni ‘30, precedente anche al transistore bjt. Ma soffrì di molti problemi pratici nella realizzazione fisica degli stessi, che hanno favorito l’utilizzo dei BJT. In epoca più moderna abbiamo risolto i problemi realizzativi e oggi vengono utilizzati quasi completamente nella sfera digitale, in quanto sono più piccoli e forniscono più possibilità a chi li utilizza.
MOSIl condensatore MOS è costituito da tre strati:
MOSFET oggi si utilizza il PoliSilicio Drogato, un polimero ricavato dal silicioIl problema pratico che ha ritardato l’utilizzo di questo tipo di transistori è che lo strato ossido deve essere un isolante perfetto.

Disegno non in scala. Il semiconduttore è circa $300 - 500$ $\mu m$, l’isolante invece è tra i tra $1$ $\mu m$ e $10$ $nm$
Per studiare cosa avviene in questo condensatore colleghiamo alla struttura due contatti:

Accumulazione
Il primo caso che analizziamo è quello dove $V_G < 0$.
In questo caso quello che otteniamo è che il conduttore si carica negativamente, mentre sul semiconduttore quello che accade è che per effetti di attrazione elettrica, quello che accade è che si concentrano nel confine con l’ossido tante lacune quante sono necessarie per ottenere la stessa concentrazione elettrica del conduttore.

Chiamando $p_\text{substrato}$ la concentrazione di lacune nel substrato, e $p_\text{substrato}$ la concentrazione di lacune nel substrato con l’ossido otteniamo che: \(p_\text{superficiale} > p_\text{substrato}\)
Questo processo di accumulo delle lacune sulla superficie è detto Accumulazione.
Svuotamento
Il secondo caso che analizziamo è quello dove $V_G > 0$.
In questo caso quello che otteniamo è che il conduttore si carica positivamente. Di conseguenza sul semiconduttore, per gli stessi effetti di attrazione elettrica, quello che accade è che si concentrano nel confine con l’ossido tante cariche negative quante sono necessarie per ottenere la stessa concentrazione elettrica del conduttore.
Queste cariche negative non sono rappresentate dai pochi elettroni liberi ma piuttosto dall’assenza di lacune. Questa zona diventa una vera e propria zona di svuotamento, composta da cariche fisse.

L’assenza di lacune è rappresentata come un quadrato con il segno meno. Il disegno non è in scala, in quanto la zona di svuotamento è di circa $1$ $\mu m$. È importante notare che questa zona si estenze esattamente per la larghezza del conduttore.
In questo caso avremo che: \(p_\text{superficiale} < p_\text{substrato}\)
Questo processo di allontanamento delle lacune dalla superficie è detto di Svuotamento.
Esiste un ulteriore caso nel quale in nostro condensatore si comporta in modo “particolare”. Se infatti non solo poniamo $V_G > 0$, ma la impostiamo $V_G > V_T$, ovvero più elevata di una Tensione di Soglia (Threshold Voltage) **_diversa dal Thermal Voltage_** dei `BJT` e dei diodi otteniamo che in questo caso la zona di svuotamento non sarà composta solo dall’assenza di lacune, ma in modo equo anche da elettroni liberi.

In particolare lo strato superiore è composto dagli elettroni liberi, mentre quello più interno da ioni fissi.
La Tensione di Soglia è definita:
Quella tensione per la quale la concentrazione di elettroni in superficie è uguale alla concentrazione di delle lacune nel substrato
Indicando quindi con $n_s$ la concentrazione degli elettroni liberi in superficie, abbiamo che: \(\quad n_s = p_\text{substrato} \quad\)
In questa conformazione quindi possiamo considerare la parte superficiale, in uno strato molto sottile $(\lesssim 1$ $nm)$, del semiconduttore come se fosse un semiconduttore di tipo n.
Questo processo di creazione di un semiconduttore di tipo n è detta Inversione.
Non dobbiamo immaginare la tensione di soglia come un valore enorme, infatti in processi moderni si aggira a circa $1$ $V$, o persino meno.
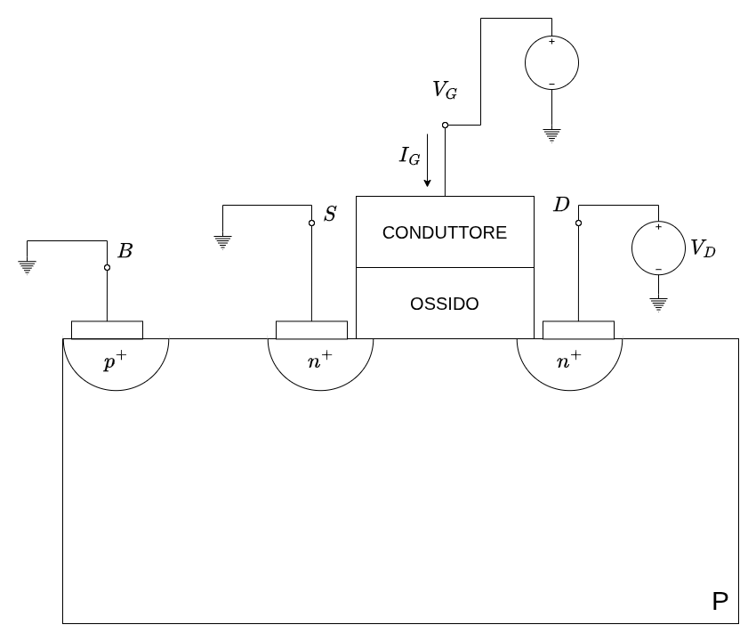
MOSFETIl transistore MOSFET si costruisce a partire da un Condensatore MOS, al quale vengono aggiunti due zone di serbatoi di cariche.
Questi serbatoi sono zone del semiconduttore drogate inversamente ad esso, e collegate a del conduttori.

I serbatoi devono essere parzialmente sovrapposti all’elettrodo.
Questo tipo di mosfet si chiama a Canale N o NMOS. Se invertissimo il drogaggio del semiconduttore e delle zone dei serbatori avremmo un PMOS (a Canale P)
Il transistore MOSFET è quindi un circuito a tre terminali:
Se volessimo schematizzare le giunzioni tra substrato e drain/source, è come se avessimo due diodi che li collegano tra loro.
Affinché il transistore funzioni è necessario che i due diodi $D_1$ e $D_2$ siano polarizzati in inversa. In questa configurazione infatti non è possibile avere passaggio di corrente tra source e drain.
La zona tra source e draing è chiamata Lunghezza di Canale $(L)$, mentre chiamiamo Larghezza di Canale $(W)$ la profondità del canale.
Le ipotesi sulle quali lavoriamo sono quindi due:
- L’ossido è perfetto
- Le giunzioni
D-BeS-Bsono in inversa
Analizziamo quindi il nostro transistore
Studiamo quindi cosa accade nel caso in cui: \(\begin{align*} V_B &= 0 \\ V_S &= 0 \\ V_D &= 0 \\ V_G &> 0 \\ \end{align*}\)

In questa configurazione possiamo identificare i tre casi. Nel primo si verifica quando: \(\Large 0 < V_G \ll V_T\)
In questo caso quello che accade è che, poiché le due giunzioni sono tenute in inversa, non abbiamo alcun passaggio di corrente, poiché le zone $S$ e $D$ sono completamente separate.
La seconda configurazione si presenta quando: \(\Large 0 < V_G < V_T\)
Equivale alla fase di svuotamento è comporta che la zona di svuotamento si riempie di ioni fissi, che non permettono ancora il passaggio di corrente tra i due poli.
L’ultima configurazione, ovvero: \(\Large V_G > V_T\)
È invece quello che permette il passaggio di corrente.
Quando operiamo in Zona di Svuotamento del condensatore infatti, oltre agli ioni fissi, sono attratti anche gli elettroni mobili. Questi permettono alle zone $S$ e $D$ di mettersi in comunicazione e poter far passare corrente. Questa zona è chiamata Canale.
Risulta adesso banale perché avevamo imposto che le zone di accumulo dovessero espandersi anche nella zona sotto l’ossido. Infatti, in questo modo permettiamo agli elettroni mobili di avere superficie di contatto con le zone.

Gli elettroni liberi che formano il canale hanno due sorgenti:
A questo punto, se $V_S \neq V_D$ abbiamo passaggio di corrente attraverso il transistore, ovviamente solamente se $V_G \ge V_T$.
Studiamo quindi cosa accade nel caso in cui: \(\begin{align*} V_B &= 0 \\ V_S &= 0 \\ V_D &> 0 \\ V_G &> 0 \\ \end{align*}\)

Anche adesso abbiamo più casi da studiare.
Il primo è quando: \(V_{GS} \ge V_T \\ V_{DS} > 0\)
In questa configurazione il source fornisce gli elettroni nel canale che sono attratti dalla tensione positiva del drain, producendo una corrente: \(I_{DS} > 0\)
In particolare, il canale opera come se fosse una resistenza, perciò la corrente $I_{DS}$ sarà direttamente proporzionale alla tensione $V_{DS}$.
Se invece aumentassimo $V_{GS}$, mantenendo costante $V_S$ ma aumentando $V_G$ otteniamo che il canale aumenta di dimensioni. Mantenedo l’equivalenza con la resistenza quello che accade è che all’aumentare di $V_{GS}$ si a un aumento di $I_{DS}$ a parità di $V_{DS}$.
In generale le correnti e le tensioni che generiamo in questo caso è:
In questa zona, detta Regione Triodo abbiamo che il transistore MOSFET si comporta come una resistenza dipendente dalla tensione.
La seconda zona di funzionamento si presenta quando aumentiamo il valore di $V_{DS}$.
Prima di poter analizzare questa zona, dobbiamo ricordare che:
Se la concentrazione di elettroni è uniforme in un segmento di lunghezza $L$ dove i due poli sono sottoposti a tensioni $V_1$ e $V_2$, la tensione in un punto $x$ del segmento crescerà/diminuirà proporzionalmente con la posizioen del punto.
Nel canale, come si vede dall’immagine a destra, il tensione tra $S$ e $D$ cresce linearmente da $0$ fino a $V_{DS}$.
Prendendo un punto generico $x_i$ all’interno del canale, sapppiamo che abbiamo inversione solo se: \(V_{Gx_i} \ge V_T\)
Se avessimo $V_{DS} = 0$, allora ogni punto sul canale è allo stesso potenziale, altrimenti ogni per ogni coppia di punti $V_{x_i} \ne V_{x_j}$.

In particolare possiamo quindi scrivere: \(\begin{align*} V_{Gx_i} &= V_{GS} - V_{x_iS} \\ &= V_G - V_S - V_{x_i} + V_S \\ &= V_G - V_{x_i} \\ &= V_{GS} - \phi(x_i) \\ &= \begin{cases} V_{GS} & x_i = 0 \\ V_{GS} - V_{DS} & x_i = L \end{cases} \end{align*}\)
Abbiamo quindi dimostrato che la tensione in ogni punto $x_i$ è diversa, in particolare diminuisce linearmente dall’source fino al drain.
Questo comporta che anche lo spessore del canale diminuirà avvicinandosi al drain.
Gli effetti sulla corrente $I_{DS}$ è quindi quello di attenuazione della crescita. Infatti la diminuzione della sezione aumenta la resistenza che il canale fa, producendo una crescita non più lineare .
Accade quando contnuiamo ad aumentare $V{DS}$_ fino al punto in cui: \(\large V_{GS} - V_{DS} = V_T\)
Questo fenomeno si chiama Pinch-Off ed è una vera e propria chiusura anticipata del canale, che adesso fa molta più fatica a far passare gli elettroni.
Se aumentassimo ancora di più $V_{DS}$ avremmo che: \(\exist x_P \quad | \quad V_{GS} - V_{x_PS} = V_L\)
Questo significa che abbiamo chiuso anticipatamente il canale di una porzione $\Delta L = L - x_P$.
In questo caso la corrente che passa attraverso il canale è costante.
Questo risultato, a primo acchitto controintuitivo, si verifica per diversi motivi.
Non dobbiamo infatti scordarci che sotto al canale è presente una zona di svuotamento costituita da cariche fisse. Quando chiudiamo anticipatamente il canale la zona di svuotamento si propaga anche nella zona chiusa anticipatamente.
La superficie della zona $n^+$ produce quindi un campo elettrico $E$ che è ancora presente nella zona di svuotamento. Quando gli elettroni arrivano alla chiusura del canale quindi risentono di questo campo elettrico e procedono fino a $D$.
Il motivo per il quale la corrente è costante ha a che fare con la dimensione $\Delta L$.

Se $\Delta L \ll L$ abbiamo una resistenza: \(R = \rho \frac{L}{S} \to \rho\frac{L - \Delta L}{S} \approx R\)
Infatti in questo caso la sezione del tratto ridotto è praticamente la stessa di quella del tratto intero, quindi possiamo sottrarle e notare che la differenza tra le due è praticamente trascurabile.
Quindi abbiamo che la resistenza in un primo frangente è come se fosse costante.
In particolare poi dobbiam oricordarci che l{a differenza di potenziale tra il punto di pinch-off e il source è sempre: \(\phi (x_P) = V_{GS} - V_T\)
Il motivo per il quale la corrente è costante è proprio questo, gli elettorni in $S$ infatti non risentono più di $V_{DS}$ ma bensì da $V_{PS}$ che è proprio costante.
La tensione del gate quindi ci permette semplicemente di scegliere la corrente che deve attraversare il transistore, indipendentemente dalla tensione ai suoi capi.
MOSFET a canale NIl modello che utilizziamo per il transistori MOSFET a canale N, detti anche NMOS, ci fornisce due equazioni a seconda della zona nella quale operiamo.
Nella Zona Triodo l’equazione è la seguente: \(\Large \boxed{ i_{DS} = \mu_n \cdot C_{ox} \cdot \frac{W}{L} \cdot \Biggl[(V_{GS} - V_T)V_{DS} - \frac{(V_{DS})^2}{2}\Biggr]\;[A] }\)
Dove:
Nella Zona di Saturazione l’equazione è la seguente: \(\Large \boxed{ i_{DS} = \mu_n \cdot C_{ox} \cdot \frac{W}{L} \cdot \frac{(V_{GS} - V_T)^2}{2}\;[A] }\)
Spesso si riassume: \(\large K = \frac{1}{2}\cdot \mu_n \cdot C_{ox} \cdot \frac{W}{L}\)
La transizione tra triodo/saturazione si ha quando: \(\LARGE \boxed{V_{DS} = V_{GS} - V_T}\)
Quindi possiamo scrivere che la corrente nella zona di saturazione varrà:
\(\large
i_{DS} = K (V_{GS} - T)^2 = K (V_{DS})^2\)
Quindi le due Caratteristiche Di Uscita sono: \(\Large \boxed{ \begin{matrix} \begin{array}{cc:c} \textbf{Triodo} & & & \textbf{Saturazione} \\[1em] i_{DS} = K \cdot \Biggl[2(V_{GS} - V_T)V_{DS} - (V_{DS})^2\Biggr] & & & i_{DS} = K \cdot (V_{GS} - V_T)^2 \\[1em] V_{DS} < V_{GS} - V_T & & & V_{DS} \ge V_{GS} - V_T \end{array} \\[3em] K = \frac{1}{2}\mu_n C_{ox} \frac{W}{L} \end{matrix} }\)

In realtà quello che accade quando entriamo in zona di saturazione non è una corrente costante, ma una corrente che cresce poco a poco.
Questo effetto è molto simile a quello che accadeva nei BJT con l’effetto Early.
Questo effetto si manifesta quando $\Delta L$ non è trascurabile. Se avessimo sempre $\Delta L \ll L$ allora questo effetto non si presenta.
Esattamente come con l’effetto Early, se prolunghiamo queste caratteristiche nell’asse negativo, avremo un intersezione con lo stesso in un punto di tensione: \(V = -\frac{1}{\lambda}\)
Per tenere conto di questo effetto al’interno delle nostre caratteristiche l’equazione che descrive il comportamento della corrente in saturazione è: \(\Large i_{DS} = \mu_n C_{ox} \frac{W}{L} \cdot \frac{(V_{GS} - V_T)^2}{2} \cdot (1 + \lambda V_{DS})\)
Questa è un altra caratteristica fornita quando parliamo di MOSFET.
Questa caratteristica evidenza la relazione tra $V_{GS}$ e $i_{DS}$.
In particolare questa relazione descrive una parabola che ha origine nel punto $(V_T, 0)$
Questa legge è chiamata anche Legge Quadratica del MOSFET:

Se consideriamo l’effetto della modulazione nella trans-caratteristica quello che otteniamo è un fascio di parabole, tutte con la stessa origine: \(\large i_D = K(1+\lambda V_{DS}) \cdot (V_{GS}-V_T)^2\)
Il mosfet a canale P, detto anche PMOS, è costituito similmente al NMOS, ma si differenzia perché:
In questo tipo di MOSFET si crea un canale dove sono le lacune a muoversi in direzione $S \to D$, e non gli elettroni.
Il comportamento del PMOS è il duale del NMOS. In particolare, le relazioni sono le stesse ma semplicemente cambiamo di segno le tensioni e le correnti.

Ad esempio, avevamo visto nel NMOS che la tensione $V_{T_N} > 0$ affinché tutto funzioni. Nel caso del PMOS invece avremo che $V_{Tp} < 0$.
Di conseguenza non solo anche $V_{GS} < 0$, ma per avere conduzione avremo che $V_{GS} \le V_{Tp} < 0$.
Analogamente alla $V_{GS}$ avremo che anche $V_{DS} < 0$.
La Condizione di saturazione diventa quindi: \(\Large V_{DS} \le V_{GS} - V_{Tp}\)
Con questi accorgimenti otteniamo che l’equazione della corrente in saturazione è la stessa di prima, se non cambiata di verso: \(i_{SD} = \mu_p C_{ox} \frac{W}{L} \cdot \frac{(V_{GS} - V_{Tp})^2}{2} \cdot (1 + \lambda V_{DS})\)
NNOS - PMOSSe lavoriamo sul piano $V_{DS} \times i_{DS}$ otteniamo che le relazioni dell’NMOS e del PMOS sono quasi simmetriche rispetto all’origine:
Le due equazioni, ignorando gli effetti di della modulazione di canale, sono quindi: \(\LARGE \boxed{ \begin{array}{cc:c} \textbf{NMOS} &&& \textbf{CMOS} \\[0.5em] i_{DS} = \mu_n C_{ox} \frac{W}{L} \cdot \frac{(V_{GS} - V_{Tn})^2}{2} &&& i_{SD} = \mu_p C_{ox} \frac{W}{L} \cdot \frac{(V_{GS} - V_{Tp})^2}{2} \\[1em] V_{DS} \ge V_{GS} - V_{Tn} &&& V_{DS} \le V_{GS} - V_{Tp} \end{array} }\)
Dobbiamo però ricordare che:
| $ | V_{Tn} | \ne | V_{Tp} | $ |
Tendenzialmente avremo quindi che i transistori NMOS conducono più corrente.

CMOSI processi CMOS (Complementary-MOS) sono dei processi che permettono di andare a creare dei transistori NMOS e PMOS che hanno la caratteristica che:
\(\Large
|V_{Tn}| \approx |V_{Tp}|\)
Anche se le tensioni di soglia sono simili in modulo, i valori $\mu_p$ e $\mu_n$ continuano ad essere molto diverse.
Per avere due transistori NMOS e PMOS complementari, ovvero per i quali le due caratteristiche di tensione sono esattamente simmetrici rispetto all’origine i progettisti possono agire sulle dimensioni del transistore $W$ e $L$.
Questo valori sono infatti tendenzialmente solamente limitati inferiormente, e non hanno dimensioni massime (se non quelle che ci possiamo permettere economicamente). Quindi il progettista può impostare i due parametri in modo che: \(\mu_p\frac{W_p}{L_p} = \mu_n\frac{W_n}{L_n}\)
MOSFETAll’interno dei circuiti i transistor MOSFET hanno tantissime simbologie, noi ne vediamo qualcuna più utilizzata.
In particolare abbiamo diversi simboli a seconda che lo stiamo utilizzato nel campo analogico o campo digitale.
| ANALOGICO | DIGITALE | |
|---|---|---|
NMOS |
![]() |
![]() |
PMOS |
![]() |
![]() |
In campo analogico è possibile anche trovare il seguente simbolo a 4 terminali dove è presente anche la base:

Per il nostro studio sarà raro trovarli quindi possiamo ignorarne l’esistenza.
Dato che le caratteristiche non sono lineari, dobbiamo fare un ipotesi di Lavoro.
Tra le tre possibilità scegliamo l’operazione di Saturazione.
NMOS

È come se avessimo una resistenza infinita tra $G$ e $S$
In questo caso la verifica avviene controllando che: \(\LARGE V_{DS} \ge (V_{GS} - V_{Tn}) > 0\)
PMOS

È come se avessimo una resistenza infinita tra $G$ e $S$
In questo caso la verifica avviene controllando che: \(\LARGE V_{DS} \le (V_{GS} - V_{Tn}) < 0\)
Il circuito di polarizzazione più semplice che possiamo immaginare è il seguente:
Questo circuito è caratterizzato dal fatto che $I_G = 0$, che quindi ci permette di calcolare in modo efficiente la tensione $V_G$, sfruttando il partitore di corrente: \(V_G = \frac{R_2}{R_1 + R_2}V_{CC}\)
Questo modello è detto _Modello a Polarizzazione Costante: \(\large \begin{cases} V_S = 0 \\ V_{GS} = V_G - V_S = \frac{R_2}{R_1 + R_2}V_{CC} \end{cases}\)
Sempre in questa ipotesi abbiamo anche che: \(\begin{CD} \underbrace{ \begin{CD} {I_G = 0} @>>> {I_D = I_S} \\ \end{CD}} \\ @VVV \\ { V_{CC} = R_D I_D + V_{DS} } \end{CD}\)

Possiamo quindi graficare il tutto ottenendo qualitativamente il nostro Punto Di Lavoro:

Quantitativamente dobbiamo semplicemente risolvere il circuito sfruttando il Modello per Grandi Segnali \(\large \begin{cases} I_D = \frac{1}{R_D}(V_{CC} - V_{DS}) \\ I_D = K \cdot (V_{GS} - V_{Tn})^2 \end{cases}\)
Tuttavia questo modello presenta un problema, che si presenta quanto vediamo la trans-caratteristica:

Se infatti mettiamo a confronto due MOSFET diversi, anche se sono nominativamente uguali, avranno delle caratteristiche intrinsecamente diverse.
Che faranno variare il punto di riposo dei due MOSFET, producendo correnti e tensioni diverse nei due casi.
Per ovviare a questo problema, utilizziamo altri modelli.
Si utilizza un circuito a 4 resistenze:
Per quanto riguarda la tensione $V_G$ non è cambiato niente rispetto a prima: \(\begin{CD} {I_G = 0} @>>> {V_G = \frac{R_2}{R_1+R_2}V_{CC}} \end{CD}\)
Per quanto riguarda invece la tensione $V_S$: \(\begin{CD} \underbrace{ \begin{CD} {I_G = 0} @>>> {I_D = I_S} \end{CD} } \\ @VVV \\ { V_S = R_S I_S = R_S I_D } \\ @VVV \\ { V_{GS} = V_G - V_S = \frac{R_2}{R_1 + R_2}V_{CC} - R_S I_D = a - R_SI_D } \end{CD}\)

Se tracciamo adesso la trans-caratteristica otteniamo:

L’introduzione della resistenza $R_S$ ci permette di avere un’elevata stabilità del punto di riposo.
Se infatti la corrente $i_D$ per qualche motivo dovesse aumentare quello che succede è che anche la $V_S = R_Si_D$ aumenta. Poiché la tensione $V_G$ è indipendente dalla $i_D$ allora quello che accade è che $V_{GS} = V_G - V_S$ diminuisce.
Tuttavia sappiamo che $i_D = K (V_{GS} - V_T)^2$, quindi al diminuire di $V_{GS}$ diminuisce anche la $i_D$, che ritorna a stabilizzare il sistema.
Se risolviamo il circuito otteniamo la relazione: \(\begin{align*} V_{CC} &= R_DI_D + V_{DS} + R_SI_D \\ &= (R_D+R_S)I_D + V_{DS} \end{align*}\)
Quindi dobbiamo risolvere il sistema: \(\LARGE \begin{cases} V_{GS} = \frac{R_2}{R_1 + R_2}V_{CC} - R_SI_D \\ V_{CC} = (R_D+R_S)I_D + V_{DS} \\ I_D = K \cdot (V_{GS} - V_{Tn})^2 \end{cases}\)
Questo sistema presenta un secondo grado che ci fornisce due soluzioni. In particolare, una di queste non rispetta una o entrambe le condizioni di verifica $V_{DS} \ge V_{GS} - V_{Tn} > 0$
Ricordiamo che in zona di saturazione, la corrente: \(i_D = \mu_n C_{ox} \frac{W}{L} \frac{(V_{GS} - V_T)^2}{2}(1 + \lambda V_{DS})\)
Quello che deduciamo da questa relazione è che $i_D$ dipende da due tensioni diverse, $V_G$ e $V_D$.
Il circuito equivalente nel caso di piccole variazioni di questi segnali è quindi il seguente:

Il termine $g_m$ è detto Conduttanza Differenziale. È infatti definito come: \(g_m := \frac{\partial i_D}{\partial V_{GS}}\Bigg|_Q\)
Analogamente ai parametri di piccolo segnale per il BJT, indica qui la derivata della relazione trans-caratteristica con la quale approssimiamo la relazione quadratica.
Il termine $r_d$ invece è detta Resistenza Differenziale, ed è definita: \(r_d := \frac{\partial V_{DS}}{\partial i_D}\Bigg|_Q = \Biggl(\frac{\partial i_D}{\partial V_{DS}}\Bigg|_Q\Biggr)^{-1}\)
Questo parametri rappresenta l’inversa della derivata della relazione tra $i_D$ e $V_{DS}$. Affinché questo valore abbia senso si deve tenere conte dell’effetto di Modulazione di Canale.
A differenza dei paramteri del BJT, questi parametri sono molto semplici da calcolare analiticamente:
\(\begin{align*}
g_m = \frac{\partial i_D}{\partial V_{GS}}\Bigg|_Q &= \mu_n C_{ox} \frac{W}{L} \frac{1}{2} \cdot 2 \cdot (V_{GS} - V_T)(1 + \lambda V_{DS}) \\
&= \frac{i_D}{(V_{GS} - V_T)^2} \cdot 2(V_{GS} - V_T) \\
&= \frac{2i_D}{(V_{GS} - V_T)}\Bigg|_Q \\[1em]
&= \frac{2I_{D_Q}}{(V_{GS_Q} - V_T)}
\end{align*}\)
Negli studi che faremo, opereremo due semplificazioni:
- I
MOSFETnon avranno capacità- La resistenza $r_d \to \infty$, quindi potremo considerarla un aperto
Il modello è uguale sia per
NMOSche perPMOS, in quanto stiamo trattando di relazioni differenziali.
Dobbiamo solo stare attenti che $g_m$ sia positivo, per fare ciò possiamo utilizzare la relazione $g_m = \frac{2I_{D_Q}}{ V_{GS_Q} - V_T }$