Nell’utilizzo comune abbiamo bisogno di corrente elettrica continua, mentre quella che arriva alle pareti delle nostre case è corrente elettrica alternata.
Facendoci caso, quando noi colleghiamo un dispositivo alla presa, utiliziamo un cavo che, prima di arrivare al nostro dispositivo, passa per un trasformatore. Spesso è incluso all’interno dei dispositivi, come i phon, altre volte è un dispositivo visibile come negli alimentatori dei cellulari e dei computer.
Lo scopo di questo componente è convertire la tensione alternata in continua.
Esistono diversi modi per costruire questi convertitori sono costruiti in diversi modi. TRa le varie modalità è possibile costruirli a partire dai diodi.
Formalmente questi circuiti si definiscono così:
Data una tensione alternata a valor medio nullo, la trasformano in una tensione continua a valor medio diverso da zero.
Esistono diversi circuiti in grado di fare ciò:
Per le analisi, a meno che non sia esplicitamente detto diversamente, utilizzeremo il modello a diodo ideale.
Analizziamo il circuito proposto sulla destra.
Il generatore di tensione $V_S$ fornisce una corrente alternata: \(V_S = V_M \cdot \sin{(\omega t)}\)
Indicando con $t_1$ il primo semi-periodo, e con $t_2$ il secondo, possiamo dire che: \(V_S = \begin{cases} > 0 & 0 \le t < t_1 \\ <0 & t_1 \le t < t_2 \end{cases}\)
Nel primo semi-periodo $(V_S > 0)$, avendo la tensione massima del circuito all’anodo, ha senso ipotizzare il diodo come ON.
Avremo quindi $V_u = V_s$, con una corrente $I_D = \frac{V_S}{R} > 0$, che verifica la nostra ipotesi.
Nel secondo semi-periodo $(V_S < 0)$ invece, ha senso ipotizzare il diodo come OFF.
Di conseguenza avremo $V_u = 0$ $V$, con una corrente $I_D = 0$ $A$. La tensione ai capi del diodo sarà quindi $V_D = V_S - V_u = V_S$.
In particolare, avendo $V_s < 0$, otteniamo che la tensione $V_D$ è negativa, perciò minore di $V_\gamma$.

Con il modello ideale quindi, avremo che la tensione nei semiperiodi $V_S > 0$ sarà la stessa in entrata.

Le due curve sono sovrapposte quando nella prima metà di ogni periodo. Quando invece $V_S \le 0$ abbiamo che $V_u = 0$.
Se invece utilizzassimo il modello a caduta costante, dobbiamo modificare l’analisi nel primo semiperiodo.
In particolare, sostituiendo il diodo con un generatore di tensione $V_\gamma$, otterremo che: \(\begin{align*} V_u &= V_S - V_\gamma \\ I_D &= \frac{V_S - V_\gamma}{R} \end{align*}\)
Verifichiamo quindi la condizione su $I_D$: \(\begin{CD} \begin{matrix} I_D > 0 & \Leftrightarrow & \frac{V_S - V_\gamma}{R} > 0 \end{matrix} \\ @VVV \\ \boxed{V_S > V_\gamma} \end{CD}\)
Nono solo quindi la tensione di uscita è inferiore di un fattore $V_\gamma$ rispetto a quella in entrata, ma introduciamo anche un ritardo in entrata e uscita di $\Delta t$ rispetto al segnale originale.
Quantifichiamo quindi il ritardo: \(\begin{align*} V_S &= V_\gamma \\ V_M \cdot \sin{(\omega t)} &= V_\gamma \\ \sin{(\omega t)} &= {V_\gamma \over V_M} \\ \omega t &= \arcsin{\Biggl(\frac{V_\gamma}{V_M}\Biggr)} \\ t^\ast &= \frac{1}{\omega} \cdot \arcsin{\Biggl(\frac{V_\gamma}{V_M}\Biggr)} \\ \end{align*}\)
Il valore $t^\ast$ varierà in base al valore della tensione in ingresso.

In genere i rettificatori vengono utilizzati a partire dalla tensione alternata a $230$ $V$, $50$ $Hz$ per ottenere una tensione continua da impegare per l’alimentazione di apparacchiature elettroniche.
In particolare definiamo Peak Inverse Voltage PIV il valore massimo della tensione ai capi del diodo quando questo è interdetto.
Se il PIV del circuito supera la soglia della Breakdown Voltage $(V_{BR})$, si innesca l’effetto valanga, ovvero compare una corrente $I_D < 0$ molto forte.
È quindi necessario garantire che: \(\min{(V_{AK})} > -V_{BR}\)
Ignorando temporaneamente il carico resistivo, la corrente che passa sul condensatore è: \(I_C = C {dV_u \over dt} = I_D\)
Ipotizzando il condensatore inizialmente scarico, durante la semionda positiva del generatore, abbiamo che il diodo sarà in condunzione, in quanto: \({dV_u \over dt} \ge 0 \rArr I_D \ge 0\)
Dopo aver attraversato il primo picco, in assenza del diodo quello che avremmo visto è che il condensatore si sarebbe scaricato operando da generatore di tensione, producendo una corrente inversa a $I_D$.
Poiché però è presente il diodo, successivamente al primo picco, il diodo agirà come un aperto, mantenendo quindi la tensione all’interno del condensatore.
Da lì in poi avremo quindi che: \(I_C = I_D = 0\)
Infatti, avendo il condensatore carico:

La tensione nel circuito è quindi:

Il PIV di questo circuito sarà quindi $\max{(V_A - V_K)} = V_M - (-V_M) = 2V_M$.
Se invece introduciamo anche un carico resistivo, otteniamo un filtro RC con il condensatore.
Il tratto in conduzione è analogo a quello precedente.
Quando invece il diodo entra in interdizione, la tensione tende a scaricarsi sulla resistenza $\propto e^{-t/(R_LC)}$.
A differenza del caso di prima, nel quale $I_D$ è nullo dopo il primo picco, adesso, nella seconda cresta in salita, avremo che $V_u \ne V_M$, ma sarà leggermente inferiore. Quello che accade quindi è che $I_D > 0$ nell’intervallo di tempo successivo all’istante $t$ nel quale la tensione ai capi del generatore avrà superato la $V_u(t)$, fino al picco successivo.

In questo caso PIV è inferiore a $2V_M$ in quanto la tensione in $V_K$ quando $V_A$ è al minimo è leggermente inferiore. Tuttavia questa variaizone è spesso trascurabile.
Il circuito rettificatore semplice permette di recuperare la tensione in una piccola porzione del semiperiodo positivo, e di “mantenerla” durante tutta la durata del resto del periodo.
Se potessimo invertire il segno di $V_S$ solo quando questo fosse negativa, avremmo il recupero anche in una piccola porzione del semiperiodo negativo di $V_S$, dimezzando a tutti gli effetti il periodo di attivazione e riducendo il ripple.
Per riuscire ad ottenere l’inversione di segno sulla sorgente $V_S$ è possibile utilizzare un Trasfromatore.
Sono dei componenti magnetici che variano il valore efficace della tensione alternata tramite il rapporto spire $n = \frac{N_1}{N_2}$, preservando la potenza ideale tra primario e secondario.
Noi prenderemo in considerazione soltato i trasformatori ideali, per i quali il flusso magnetico totale piò essere considerato trascurabile.
Questi trasformatori hanno due caratteristiche principali:
La forza magnetomotrice totale è nulla: \(\large \begin{matrix} N_1I_1 + N_2 I_2 = 0 & \frac{I_2}{I_1} = - \frac{N_1}{N_2} \end{matrix}\)
La Legge di Faraday comporta: $$ \large \begin{matrix} \begin{matrix} V_1 = N_1 {d\phi \over dt} \[0.75em] V_2 = N_2 {d\phi \over dt} \end{matrix} & \rArr & \LARGE \frac{V_1}{V_2} = \frac{N_1}{N_2} \end{matrix}
$$

Introduciamo un trasformatore a doppio secondario con presa centrale: $N_2 = N_A + N_B$
Durante il primo semiperiodo abbiamo quindi che: \(V_1 \ge 0 \rArr {V_A \ge 0 \atop V_B \ge 0}\)
Mentre nel secondo abbiamo che: \(V_1 \le 0 \rArr {V_A \le 0 \atop V_B \le 0}\)

Partiamo quindi dall’ipotesi che il primo diodo sia ON, mentre il secondo diodo sia OFF, utilizzando il modello a diodo ideale.
La verifica di questa ipotesi è banale: \(\begin{align*} I_{D_1} &= \frac{V_A}{R_L} > 0\\ V_{D_2} &= V_{A_2} - V_{K_2} = -V_B - V_A < 0 \end{align*}\)
Partiamo quindi dall’ipotesi che il primo diodo sia OFF, mentre il secondo diodo sia ON.
La verifica di questa ipotesi, ricordando che $V_A, V_B \le 0$, è altrettanto banale: \(\begin{align*} V_{D_1} &= V_{A_1} - V_{K_1} = V_A - (-V_B) = V_A + V_B < 0 \\ I_{D_2} &= -\frac{V_B}{R_L} > 0 \end{align*}\)
Abbiamo quindi ottenuto un circuito nel quale la tensione è sempre positiva:

Se reintroduciamo il condensatore vediamo adesso come abbiamo dimezzato il periodo di attivazione.

In questo caso abbiamo però reintrodotto un PIV di $2V_M$.
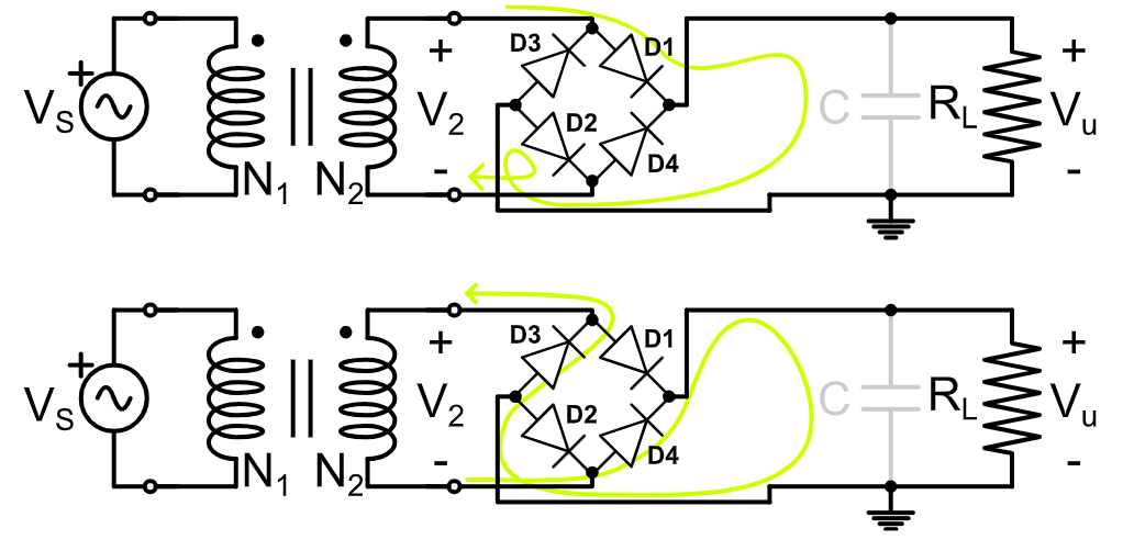
Questo tipo di rettificatore sfrutta il ponte di Graetz, composta da 4 diodi collegati come in figura.

Quando $V_2 \ge 0$, ipotizziamo che $D_1, D_2$ siano ON, mentre $D_3, D_4$ sono OFF.
La verifica è più che immediata: \(\begin{align*} I_{D_1} &= \frac{V_2}{R_L} > 0 \\ I_{D_2} &= \frac{V_2}{R_L} > 0 \\ V_{D_3} &= V_{A_3} - V_{K_3} = 0 - V_2 = -V_2 < 0 \\ V_{D_4} &= V_{A_4} - V_{K_4} = 0 - V_2 = -V_2 < 0 \end{align*}\)
Quando invece $V_2 < 0$, effettuiamo l’ipotesi inversa, ovvero $D_1, D_2$ OFF e $D_3, D_4$ ON.
Verifichiamo, ricordando sempre che in questo caso $V_2 < 0$: \(\begin{align*} V_{D_1} &= V_{A_1} - V_{K_1} = 0 - (-V_2) = V_2 < 0 \\ V_{D_2} &= V_{A_2} - V_{K_2} = 0 - (-V_2) = V_2 < 0 \\ I_{D_3} &= -\frac{V_2}{R_L} < 0 \\ I_{D_4} &= -\frac{V_2}{R_L} < 0 \end{align*}\)

Inoltre in questo caso il PIV è di $V_M$, in quanto non abbiamo mai tensioni minori di 0.
Facciamo quindi un confronto tra i due raddrizzatori che abbiamo visto:
| Caratteristica | Presa Centrale | Ponte di Graetz |
|---|---|---|
| Diodi Necessari | $2$ | $4$ |
PIV |
$2V_M$ | $V_M$ |
| Ingombro/Peso | Elevato (Ferro, Rame) | Ridotto |
| Caduta di Tensione | $V_\gamma$ | $2\cdot V_\gamma$ |
Il Ponte di Graetz rimuove il limite del trasformatore ingombrante e costoso, ottimizzando il peso e il costo del circuito, in quanto il costo di due diodi extra è trascurabile rispetto quello del trasformatore.
Il ponte di Graetz è oggi lo standard moderno.
Il rettificatore ha comunque dei limiti/problemi:
Circuiti alimentati a $50Hz$ presentano un ripple a $100Hz$, un valore elevato e che produce diversi effetti indesiderati:
Il nostro obiettivo finale è quindi quello di trasformare una tensione sinusoidale da $230$ $V$ $AC$ in una tensione costante da $5$ $V$ $DC$ (oppure $3.3$ $V$ o $12$ $V$ sempre $DC$) che non presenti ripple.
Per riuscire a raggiungere questo obiettivo attuiamo quindi una strategia in due punti:
Il Diodo Zener ci fornisce infatti diverse proprietà:
In questo modo non solo abbiamo una tensione costante e nota, ma avremo anche un sistema di protezione contro i picchi di tensione.
Valori commerciali tipici per diodi Zener (con tolleranze tra il $2\%$ e il $5\%$) sono 3.3V, 5.1V, 5.6V, 6.2V, 12V, 15V, …
Nel modello a caduta costante, i nostri diodi Zener saranno quindi caratterizzati da 3 regioni: \(\begin{cases} & & \text{Verifica}\\ V_{AK} = V_\gamma & \textbf{Conduzione in polarizzazione Diretta} & I_D \ge 0 \\ I_D = 0 & \textbf{Interdizione} & -|V_Z| < V_{AK} < V_\gamma \\ V_{AK} = -|V_Z| & \textbf{Conduzione in polarizzazione Inversa} & I_D \le 0 \end{cases}\)

Per quanto riguarda il loro utilizzo all’interno dei rettificatori, avremo come zona di funzionamento quella della conduzione in polarizzazione inversa.
Immaginiamo di avere il circuito sulla destra che opera nella zona di brakdown. Dobbiamo quindi considerare il diodo zener non come un’aperto, come avremmo fatto con un diodo classico, ma come un generatore di tensione a polarizzazione inversa.
Immaginiamo che: \(\begin{align*} V_2 &= 10\;V \\ R &= 5\;k\Omega \\ V_Z &= 5.6\;V \\ \end{align*}\)

Partendo dalla legge di Kirchoff, possiamo scrivere l’equazione della retta caratteristica: \(I_D = -\frac{V_2 + V_D}{R} = - \frac{V_2 - V_Z}{R} = -\frac{10-5.6}{5} = -0.88\;mA\)
In genere indichiamo $I_Z = -I_D$ per facilitare l’analisi.
Questo valore dipende quindi da $V_2$ e $R$.

Se fosse presente del ripple che rende $V_2 = 10 \pm x$, allora avremmo una corrente che sta nel fascio.

Al variare della resistenza abbiamo una corrente rappresentata da un fascio di rette centrate in $(-V_2, 0)$.
Oltre a queste considerazioni, se andassimo a vedere la potenza: \(P_Z = \underbrace{V_ZI_Z}_{\text{Possibile perché } V_Z \text{ è costante}}\)
La potenza è importante in quanto indica quanto si scalda il componente. Se questa fosse troppo elevata il diodo potrebbe bruciarsi.
Il circuito è il seguente:

$R_L$ rappresneta il circuito che vogliamo alimentare.
Possiamo dire subito che se $I_Z > 0$ allora la tensione ai capi del diodo zener è da considerarsi come quella di un generatore, ovvero $V_u = V_Z$.
Le equazioni di Kirchoff ci dicono che: \(\begin{CD} \begin{matrix} I_R = \frac{V_2'-V_Z}{R} \\[0.5em] I_L = \frac{V_Z}{R_L} \end{matrix} @>>> {I_Z = I_R - I_L = \frac{V_2'-V_Z}{R} - \frac{V_Z}{R_L}} \end{CD}\)
Per verificare la conduzione del diodo zener in breakdown occorre verificare che $I_Z > 0$, ovvero: \(\frac{V_2'-V_Z}{R} - \frac{V_Z}{R_L} > 0\)
Di queste variabili, l’unica che è possibile modulare nella progettazione è il valore della resistenza $R$.
Conosciamo che la tensione dopo il ponte di Graetz è soggetta a ripple: \(V'_{2,min} \le V_2' \le V'_{2,max}\)
Quando il carico non richiede corrente (modellabile ponendo $R_L \to \infty$), abbiamo che $I_L = 0$, che produce: \(\begin{CD} {I_Z = I_R} @>>> {I_{Z,max} = \frac{V'_{2,max}-V_Z}{R}} \end{CD}\)
Affinché il circuito funzioni dobbiamo in ogni momento rispettare che la potenza del diodo sia minore del limite massimo, ovvero $V_ZI_{Z,max} < P_{Z,max}$, che ci permette di calcolare: \(\begin{CD} {I_{Z,max} < \frac{P_{Z,max}}{V_Z}} @>{I_{Z,max} = \frac{V'_{2,max}-V_Z}{R}}>> \boxed{ R > \frac{(V'_{Z,max} - V_Z)V_Z}{P_{Z,max}}\;\Omega } \end{CD}\)
Questa dimostrazione ci permette di dire che $R$ deve avere un valore superiore ad un minimo tollerabile.
Se invece analizziamo il caso in cui tutta la corrente viene dirottata sul carico, ovvero $I_{L,max}$, allora possiamo assumere, poiché $I_Z = I_R - I_L$, che $I_Z = 0$: \(\begin{CD} {I_{L,max} = I_R} @>>> {I_{L,max} = \frac{V'_{2}-V_Z}{R}\;A} \end{CD}\)
Per quantificare quindi il minimo valore massimo della corrente, analizziamo quando $V’_{2,min}$, ovvero il caso peggiore: \(I_{L,max} = \frac{V'_{2,min} - V_Z}{R}\;A\)