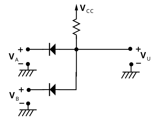
AND a DiodiConosciamo quindi la tensioen ai nodi $A$ e $B$: \(V_A = 5\;V \\ V_B = 5\;V\)
Partiamo quindi dall’ipotesi che i due diodi siano interdetti.
Sostituiamo quindi ai diodi due circuiti aperti.
Quello che otteniamo dopo la sostituizione è un circuito senza una maglia.
Di conseguenza la tensione $V_u = V_{CC} = 5$ $V$.
Dobbiamo adesso verificare l’ipotesi, ovvero che $V_D < V_\gamma$: \(\begin{CD} {V_A = V_B = V_{CC}} @>>> {V_{D_A} = V_{D_B} = 0 < V_\gamma} \end{CD}\)


Ipotizziamo adesso invece che il circuito sia quello culla sinistra, ovvero che $V_A = 0$ $V$ e che $V_B = 5$ $V$.
Avendo collegato il catodo di $D_A$ a terra, diventa ragionevole in questo caso ipotizzare $D_A$ ON.
Supponendo di sostituire il diodo con un diodo ideale, ovvero con un corto. Con questa nuova conformazione, otteniamo quindi che il catodo di $V_u$ è collegato a ground. Di conseguenza avremo che $V_u = 0 - 0 = 0$.
Compiendo la verifica otteniamo quindi che:
Analogamente sappiamo anche che se $V_A = 5$ $V$ e $V_B = 0$ $V$ otteniamo gli stessi risultati.
Vediamo quindi l’ultima conformazione, nella quale entrambi i diodi sono ON: $V_{D_A} = V_{D_B} = 5$ $V$.
Esattamente come prima otteniamo che $V_u = 0 - 0 = 0$.
Per quanto riguarda la verifica effettuiamo le stesse considerazioni fatte prima, ottenendo che $I_A = I_B = \frac{V_{CC}}{R} > 0$.

Riassumedo abbiamo ottenuto che:
| $V_A$ | $V_B$ | $V_u$ |
|---|---|---|
| $5$ $V$ | $5$ $V$ | $5$ $V$ |
| $0$ $V$ | $5$ $V$ | $0$ $V$ |
| $5$ $V$ | $0$ $V$ | $0$ $V$ |
| $0$ $V$ | $0$ $V$ | $0$ $V$ |
Notiamo che se associamo le tensioni $5$ $V$ con un 1 logico, e le tensioni $0$ $V$ le associamo lo 0 logico, quello che abbiamo appena costruito è una Porta AND.

ORIpotizziamo di avere questo circuito adesso:
Se partiamo dall’ipotesi che $V_A = V_B = V_{CC} = 5$ $V$, ha senso ipotizzare che i due diodi siano ON.
Di conseguenza otteniamo che $V_u = 5$ $V$.
La verifica è semplice in quanto: $I_{D_A} = I_{D_B} = \frac{V_{CC}}{R} > 0$.


Nel secondo caso proposto sulla destra, abbiamo adesso che $V_A = 0$ $V$, mentre $V_B = V_{CC} = 5$ $V$. Ha quindi senso ipotizzare che $D_A$ sia interdetto, mentre $D_B$ sia ON.
Di conseguenza otteniamo che $V_u = V_CC = 5$ $V$.
La verifica è semplice in quanto: \(\begin{align*} V_{D_A} &= 0 - V_{V_CC} = -V_{CC} = -5\;V \\ I_{D_B} &= \frac{V_{CC}}{R} > 0 \end{align*}\)
Questa condizione è rispettata simmetricamente invertendo $D_A$ e $D_B$.
Procediamo con l’ultima conformazione abbiamo che $V_A = V_B = 0$ $V$.
In questo circuito non abbiamo alcun generatore di tensione.
Di conseguenza in ogni punto del circuito la tensione è la stessa, ovvero nulla.
Otteniamo quindi che $V_u = 0$ $V$.

Riassumedo abbiamo adesso ottenuto che:
| $V_A$ | $V_B$ | $V_u$ |
|---|---|---|
| $5$ $V$ | $5$ $V$ | $5$ $V$ |
| $0$ $V$ | $5$ $V$ | $5$ $V$ |
| $5$ $V$ | $0$ $V$ | $5$ $V$ |
| $0$ $V$ | $0$ $V$ | $0$ $V$ |
Notiamo che se associamo le tensioni $5$ $V$ con un 1 logico, e le tensioni $0$ $V$ le associamo lo 0 logico, quello che abbiamo appena costruito è una Porta OR.

Nonostante sia possibile costruire le porte AND e OR attraverso i diodi, per costruire le porte in commercio si utilizzano altre tecniche, poiché questi circuiti presentano diverse problematiche.
La prima problematica è che i circuiti assorbono corrente. In particolare è necessario che le correnti di ingresso siano diverse da zero, in quanto il circuito “consuma” corrente. Questo rende molto complesso la gestione di porte multiple, in quanto la corrente in ingresso alle ultime porte sarà molto inferiore a quella nelle prime.
Il secondo problema, più grave del primo, si presenta quando abbiamo due porte OR in cascata.
Nel caso proposto a destra, abbiamo due porte OR, dove un’entrata del secondo è l’uscita del primo, mentre tutte le altre entrate sono in conduzione.
Se utilizziamo il modello dei diodi ideali, la tensione rimane la stessa. Ma i diodi hanno una componente di consumo della tensione.
Prendendo quindi $V_\gamma = 0.7$ $V$, dalla cascata ottenuamo una tensione di $5 - 0.7 -0.7 = 3.6$ $V$.
Questo fenomeno si chiama Degrado dei Livelli Logici, e va a limitare il numero massimo di porte in cascata che possiamo avere.

Il terzo problema, forse il più grande, è che con i diodi non è possibile costruire una porta NOT.
La logica a diodi quindi non permette di costruire reti combinatorio complesse.
Tuttavia, queste porte non sono “inutili”. Infatti vedremo più avanti che la porta AND a diodi, messa in cascata con un inverter costruito con un transistor è stata per tutti gli anni ‘50 e ‘60 la porta logica NAND utilizzata in quasi tutti i componenti.