Un amplificatore può essere visto come un quadripolo che prende in ingressoun segnale di entrata e restituisce in uscita lo stesso segnale con potenza amplificata.
La potenza in aggiunta viene recuperata dall’amplificatore da un alimentazione esterna alla quale deve essere collegato.

I vari amplificatori si classificano a partire da 4 parametri di merito: \(\begin{align*} A_V &= \frac{V_o}{V_i} & \text{Guadagno di Tensione} & & (\text{Calcolata tipicamente quando } R_L \to \infty) \\ A_I &= \frac{i_o}{i_i} & \text{Guadagno di Corrente} \\ R_I &= \frac{V_i}{i_i} & \text{Resistenza/Impedenza di Ingresso} \\ R_O &= \frac{V_o}{i_o} & \text{Resistenza/Impedenza di Uscita} & & (\text{Calcolata tipicamente quando } V_S = 0)\\ \end{align*}\)
Un transistore può essere utilizzato in tre modi per comportarsi da Amplificatore:
Questo accoppiamento trasofrma il quadripolo in un tripolo accoppiando l’emetittore tra uscita ed entrata.
La connessione al transistore sfruttando i condensatori $C_B$ e $C_L$ permette di isolare dal carico esterno il punto di riposo del transistore.
Il condensatore $C_E$ è introdotto per cortocircuitare $R_E$ nelle fasi di carica.

L’analisi DC è la medesima già fatta fin’ora che calcolerà i vari parametri $h_{ie}, h_{fe}, h_{re}, h_{oe}$.
Procediamo quindi ad effettuare l’analisi AC del circuito, scelgiendo frequenze tali che cortocircuitano perfettamente i nostri condensatori.
Il circuito equivalente per l’analisi è il seguente, sostituendo ai componenti non lineari il loro modello per piccoli segnali semplificato:

Notiamo qui che l’introduzione del condensatore $C_E$ ci permette di circuitare $R_E$
Possiamo quindi adesso calcolare i vari parametri di: \(\begin{align*} A_I &= \frac{i_o}{i_i} = \frac{h_{fe}i_b}{i_b} = h_{fe} \\ A_V &= \frac{V_o}{V_i} = \frac{-h_{fe}i_b \cdot (R_C\parallel R_L)}{V_S} = -\frac{h_{fe}i_b \cdot (R_C\parallel R_L)}{h_{ie}i_b} = -\frac{h_{fe}(R_C \parallel R_L)}{h_{ie}} \\ R_O &= \frac{V_o}{i_o} = \frac{V_o}{0} = \begin{cases} \infty & \text{Sul nodo C} \\ R_C & \text{A valle di } R_C \\ R_L & \text{A valle di } R_L\end{cases} & & V_S \text{ è cortocircuitata} \\ R_I &= \frac{V_i}{i_i} = \begin{cases} h_{ie} & \text{Sul nodo B} \\ h_{ie} \parallel R_1 \parallel R_2 & \text{A monte delle resistenze} \end{cases} & & \text{Il generatore ausiliario è acceso, ma non fornisce alcun contributo alla resistenza di ingresso} \end{align*}\)
Questo tipo di amplificatore produce quello che si chiama Amplificazione Invertente, in quanto il verso della tensione viene invertita tra ingresso e uscita.
Supponiamo adesso di rimuovere $C_E$ dalla nostra configurazione, quindi di non andare a circuitare la resistenza $R_E$:


Nell’analisi AC otteniamo che $A_I$ e $R_O$ non cambiano rispetto a prima, mentre invece il Guadagno di Tensione: \(\begin{align*} A_V &= \frac{h_{fe} (R_C \parallel R_L)i_b}{h_{ie}i_b + R_Ei_E} \\ &= \frac{h_{fe} (R_C \parallel R_L)i_b}{h_{ie}i_b + R_E(1 + h_{fe})i_b} \\ &= -\frac{h_{fe} (R_C \parallel R_L)}{h_{ie} + R_E(h_{fe} + 1)} \end{align*}\)
Abbiamo quindi che la tensione di uscita è diminuita rispetto a prima. La resistenza $R_E$ è appunto chiamata Resistenza di Degenerazione, perché in sua assenza, introducendo un condensatore di bypass, si ottiene un guadagno molto più grande.
Tuttavia in alcuni casi la presenza di $R_E$ è utile. Ad esempio se avessimo $R_E(h_{ie} + 1) \gg h_{ie}$: \(\begin{CD} {A_V \approx \frac{h_{fe}R_C}{R_E(h_{ie} + 1)} \approx \frac{h_{fe}R_C}{h_{fe}R_E} = \frac{R_C}{R_E}} \\ @VVV \\ {A_V = \frac{R_C}{R_E}} \end{CD}\)
In situazioni comuni $(h_{fe} \gg 1, R_E \not{\to} 0)$, mantenendo $R_E$ otteniamo un guadagno di tensione che è indipendente dalle caratteristiche del transistore, ma proporzionale solamente al rapporto tra due resistenze, ovvero dalle caratteristiche dei componenti esterni sui quali abbiamo controllo.
Per quanto riguarda la Resistenza di Ingresso: \(R_I = \begin{cases} h_{ie} + R_E(h_{fe} + 1) & \text{Al nodo B} \\ (h_{ie} + R_E(h_{fe} + 1)) \parallel R_1 \parallel R_2 & \text{A monte delle due resistenze} \end{cases}\)
Sulla resistenza di ingresso vige la Regola della Riflessione della Resistenza Vista Base, ovvero che la corrente che passa su $R_E$ non è solamente quella di base, ma ha anche il contributo del generatore ausiliario, per una corrente complessiva $i_E = i_b + h_{fe}i_b = i_b(h_{fe} + 1)$
L’amplificatore a collettore comune, detto anche Inseguitore di Emettitore (Emitter Follower), mette a comune invece dell’emettitre il collettore. Immaginiamo di aver già studiato il punto di riposo, ottenendo che $h_{re} = h_{oe} = 0$, procedendo quindi direttamente con lo studio in alternata.


Procediamo quindi a calcolare i vari parametri.
Per quanto riguarda $R_I$, sul nodo B:
\(\begin{align*}
V_{p_i} &= h_{ie}i_b + (R_E \parallel R_L)(i_b + h_{fe}i_b) = (h_{ie} + (R_E \parallel R_L)(h_{fe} + 1))i_b \\
i_{p_i} &= i_b \\
R_I &= \frac{V_{p_i}}{i_{p_i}} = h_{ie} + (R_E \parallel R_L)(h_{fe} + 1)
\end{align*}\)
Se volessimo trovare la resistenza vista a monte delle resistenze presenti, è sufficiente mettere in parallelo $R_1, R_2$ e $R_I$.
Per quanto riguarda $R_O$ sul nodo E:
\(\begin{align*}
V_{p_o} &= -h_{ie}i_b \\
i_{p_o} &= -(h_{fe} + 1)i_b \\
R_O &= \frac{V_{p_o}}{i_{p_o}} = \frac{h_{ie}}{h_{fe} + 1}
\end{align*}\)
La resistenza $R_I$ è solitamente piccola in quanto la quantità $h_{fe} + 1$ è tipicamente maggiore di $h_{ie}$.
Le resistenze seguono quella che chiamiamo la Regola della Riflessione:
La resistenza dell’emetittore si riflette sulla base moltiplicata, mentre quella di base si riflette sull’emettitore divisa
Procediamo quindi a calcolare l’amplificazione di entrata $A_I$: \(\begin{align*} i_o &= -(h_{fe} + 1)i_b\\ i_i &= i_b \\ A_I &= \frac{i_o}{i_i} = -(h_{fe} + 1) \\ \end{align*}\)
Questo valore ci dice che l’uscita è molto più elevata della corrente di entrata, di circa 200/300 volte, oltre ad essere di verso inverso.
Terminiamo quindi a calcolare il guadagno di tensione $A_V$: \(\begin{align*} V_o &= (R_E \parallel R_L)i_e = (R_E \parallel R_L)(h_{fe} + 1)i_b \\ V_i &= h_{ie}i_b + (R_E \parallel R_L)(h_{fe} + 1)i_b \\ A_V &= \frac{V_o}{V_i} = \frac{(R_E \parallel R_L)(h_{fe} + 1)}{h_{ie} + (R_E \parallel R_L)(h_{fe} + 1)} \end{align*}\)
Questa configurazione implica che il transistore sia non invertente. Oltre a ciò se guardiamo la forma di $A_V$ notiamo che $A_V < 1$. Se effettuiamo i calcoli però possiamo notare come nella maggior parte dei casi in realtà $A_V \approx 1$.
Possiamo quindi dire che $V_E \approx V_B$, ergo il nome Emitter Follower, dato che la tensione ingresso (base) e uscita (emettitore) è più o meno la stessa.
Riassumendo quello che abbiamo trovato: \(\begin{align*} R_I &= \frac{V_{p_i}}{i_b} = \begin{cases} h_{ie} + (R_E \parallel R_L)(h_{fe}+1) & \text{Sul nodo B} \\ (h_{ie} + (R_E \parallel R_L)(h_{fe} + 1)) \parallel R_1 \parallel R_2 & \text{A monte delle resistenze} \end{cases} \\ R_O &= \frac{V{p_o}}{i{p_o}} = \begin{cases} \frac{h_{ie}}{h_{fe} + 1} & \text{Sul nodo E} \\ (\frac{h_{ie}}{h_{fe} + 1}) \parallel R_E & \text{A valle di } R_E \\(\frac{h_{ie}}{h_{fe} + 1}) \parallel R_E \parallel R_L & \text{A valle di } R_L\end{cases} & & V_S \text{ è cortocircuitata} \\ A_I &= \frac{i_o}{i_i} = -(h_{fe} + 1) \\ A_V &= \frac{V_o}{V_i} = \frac{(R_E \parallel R_L)(h_{fe} + 1)}{h_{ie} + (R_E \parallel R_L)(h_{fe} + 1)} \\ \end{align*}\)
Questo amplificatore, a differenza di quello a Emettitore Comune, oltre a non produrre inversioni di tensione, produce un elevato guadagno di corrente. Questo circuito, che permette di ripristinare una corrente mantenendo la tensione costante, è detto buffer.
Vediamo adesso come i MOSFET possono essere utilizzati come amplificatori
Circuito Amplificatore

Circuito in AC

Dobbiamo intanto calcolare i quattro parametri $R_O, R_I, A_V$ e $A_I$.
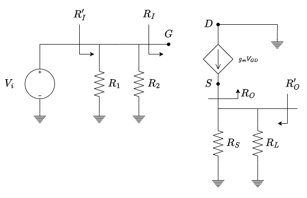
Per quanto riguarda la resistenza di entrata il discorso è immediato: \(R_I = \begin{cases} \infty & \text{Al nodo } G\\ R_1 \parallel R_2 & \text{A monte delle resistenze} \end{cases}\)
Analogamente anche l’amplificazione di corrente è immediata: \(A_I = \frac{i_O}{i_I} \to \infty\)
Per quanto riguarda la resistenza vista di uscita al Drain, utilizziamo un generatore di prova $V_P$ spegnendo $V_i$, ottenendo: \(\begin{cases} V_G = 0 \\ V_S = R_S g_m V_{GS} \\ V_{GS} = V_G - V_S = - V_S \end{cases}\)
Sostituendo la terza equazione nella seconda: \(\begin{align*} V_S &= R_S g_m (-V_S) \\ V_S(1 + R_S g_m) &= 0 \\ &\Downarrow \\ V_S &= 0 \end{align*}\)
Di conseguenza otteniamo che $i_P = 0$, ovvero: \(R_O = \begin{cases} \infty & \text{Al nodo } D\\ R_L \parallel R_D & \text{A valle delle resistenze} \end{cases}\)
Per quanto riguarda l’amplificazione di tensione, la calcoliamo ipotizzando $R_P = R_D \parallel R_L$: \(\begin{align*} V_O &= (-g_m V_{GS})R_P \\ V_S &= R_S(g_m V_{GS}) \xrightarrow{V_{GS} = V_G - V_S} V_{GS} = V_G - R_S(g_mV_{GS}) \\ V_{GS} &= \frac{V_G}{1 + g_mR_S} \end{align*}\)
Sapendo che $V_I = V_G$ otteniamo che la relazione finale: \(A_O = \frac{V_O}{V_I} = \frac{(-g_m R_P)V_{GS}}{(1 + g_mR_S)V_{GS}} = - \frac{g_mR_D}{1 + g_mR_S}\)
Abbiamo quindi un’amplificazione invertente.
Se dovessimo aggiungere un condensatore in parallelo ad $R_S$, otterremo che: \(A_O = -g_m R_D\)
Se invece impostassimo $g_mR_S \gg 1$: \(A_O = - \frac{R_D}{R_S}\)
Ovvero otterremmo un amplificatore che dipende solo dalle resistenze interne.
Riassumendo tutto i parametri valgono: \(\large \boxed{ \begin{align*} R_I &= \begin{cases}\infty & \text{Al nodo } G\\R_1 \parallel R_2 & \text{A monte delle resistenze}\end{cases} \\[1.5em] R_O &= \begin{cases}\infty & \text{Al nodo } D\\R_L \parallel R_D & \text{A valle delle resistenze}\end{cases} \\[1.5em] A_I &= \frac{i_O}{i_I} \to \infty \\[1.5em] A_O &= \begin{cases} -\frac{g_m(R_D \parallel R_L)}{1 + g_mR_S} \\ -g_m(R_D \parallel R_L)& R_S = 0 & \text{Cortocircuitata con un condensatore} \\ -\frac{R_D \parallel R_L}{R_S} & g_mR_S \gg 1 & \text{Dipende solo dalla resistenze interne} \end{cases} \end{align*} }\)
Per quanto riguarda la configurazione a Drain Comune, il circuito di partenza è questo:
Circuito Amplificatore

Circuito in AC

Per quanto riguarda l’ingresso la situazione è analoga a quella a source comune, così come l’amplificazione di corrente.
La resistenza vista di uscita invece è diversa, infatti se utilizziamo il generatore di prova otteniamo le seguenti relazioni: \(\begin{cases} V_G = 0 \\ V_S = V_P \\ i_P = -(g_mV_{GS}) = -g_m(V_G - V_S) = g_mV_P \end{cases}\)
La resistenza vista di uscita, al nodo $S$ è quindi: \(R_O = \frac{V_P}{i_p} = \frac{1}{g_m}\)
Tipicamente $g_m$ è un valore grosso, quindi la resistenza vista di uscita è tipcamente piccola.
Anche l’amplificazione di tensione è diversa in questo caso. Chiamando sempre $R_P = R_S \parallel R_L$: \(\begin{align*} V_G &= V_I \\ V_S &= V_O \\ V_O &= R_S(g_mV_{GS}) \\ V_{GS} &= V_G - V_S = V_G - V_O \end{align*}\)
Otteniamo quindi: \(\begin{align*} V_O &= R_Pg_m(V_G - V_O) \\ (1+R_Pg_m)V_O &= R_Pg_mV_G \\ V_O &= \frac{R_Pg_mV_G}{1 + R_Pg_m} \end{align*}\)
Otteniamo quindi che: \(\begin{align*} A_V = \frac{V_O}{V_I} &= \frac{R_Pg_mV_I}{1 + R_Pg_m} \cdot \frac{1}{V_I} \\ &= \frac{R_Pg_m}{1 + R_Pg_m} \end{align*}\)
Questo valore positivo indica che il circuito è non invertente.
Inoltre se $g_mR_P \gg 1$ quello che otteniamo è che $A_V \approx 1$.
Riassumendo tutto i parametri valgono: \(\large \boxed{ \begin{align*} R_I &= \begin{cases}\infty & \text{Al nodo } G\\R_1 \parallel R_2 & \text{A monte delle resistenze}\end{cases} \\[1.5em] R_O &= \begin{cases}\frac{1}{g_m} & \text{Al nodo } S\\ \frac{1}{g_m} \parallel R_L \parallel R_D & \text{A valle delle resistenze}\end{cases} \\[1.5em] A_I &= \frac{i_O}{i_I} \to \infty \\[1.5em] A_O &= \begin{cases} \frac{g_m(R_S \parallel R_L)}{1 + g_m(R_S \parallel R_L)} \\ 1 & g_m(R_S \parallel R_L) \gg 1 & \text{Dipende solo dalla resistenze interne} \end{cases} \end{align*} }\)
Il circuito è quindi detto Source Follower, in quanto l’uscita cerca sempre di stabilizzarsi seguendo l’entrata.
Un Amplificatore Multistadio è composto dalla cascata di più stadi.

Per ogniuno di questi stadi conosciamo le caratteristiche.
Ipotizziamo che $A_{V_1} = 10$ e $A_{V_2} = 2$. Ci aspetteremmo un’amplificazione totale di $20$, ma questo non sempre accade.
L’amplificazione complessiva non è il prodotto delle singole amplificazioni: \(A_V = \frac{V_O}{V_I} \ne \prod_i{A_{V_i}}\)
Questo risultato è semplice da dimostrare a partire dal circuito equivalente:

Dobbiamo quindi calcolare il rapporto $A_V = \frac{V_O}{V_{I_1}}$. LO faremo ipotizzando $R_L \to \infty$ per semplicità.
Possiamo dedurre che: \(\begin{align*} V_O &= A_{V_2}V_{I_2} \\ V_{I_2} &= (A_{V_1}V_{I_1}) \frac{R_{I_2}}{R_{I_2} + R_{O_1}} \\ V_I &= V_{I_1} \end{align*}\)
Il rapporto sarà quindi: \(\begin{align*} A_V = \frac{V_O}{V_I}\Bigg|_{R_L\to\infty} &= \frac{A_{V_2}\Bigl((A_{V_1}V_I) \frac{R_{I_2}}{R_{I_2} + R_{O_1}}\Bigr)}{V_I} \\ &= A_{V_1}V_{V_2} \frac{R_{I_2}}{R_{I_2} + R_{O_1}} \end{align*}\)
Di conseguenza: \(\begin{CD} \begin{align*} R_{I_2} &\to \infty \\ &\text{OR} \\ R_{O_1} &\to 0 \end{align*} @>>> { A_V = A_{V_1}A_{V_2} } \end{CD}\)
Affinché sia vero che il guadagno è il prodotto è quindi necessario che le resistenze rispettino almeno una di queste due condizioni, che erano quelle che avevamo fatto durante lo studio (resistenza di carico infinita).
In un qualsiasi circuito dove è presente un condensatore e/o un induttore, la loro impedenza dipende dalla frequenza. Questa dipendenza modifica le loro dipendenze viste.
In particolare, per quanto riguarda i condensatori, la loro impedenza: \(\begin{matrix} z_c = \frac{1}{j\omega C} & \omega = 2\pi f \end{matrix}\)
A seconda del valore della frequenza $f$, possiamo quindi considerare il condensatore come un aperto/corto/componente presente. Questo comportamento è detto proprio risposta in frequenza.
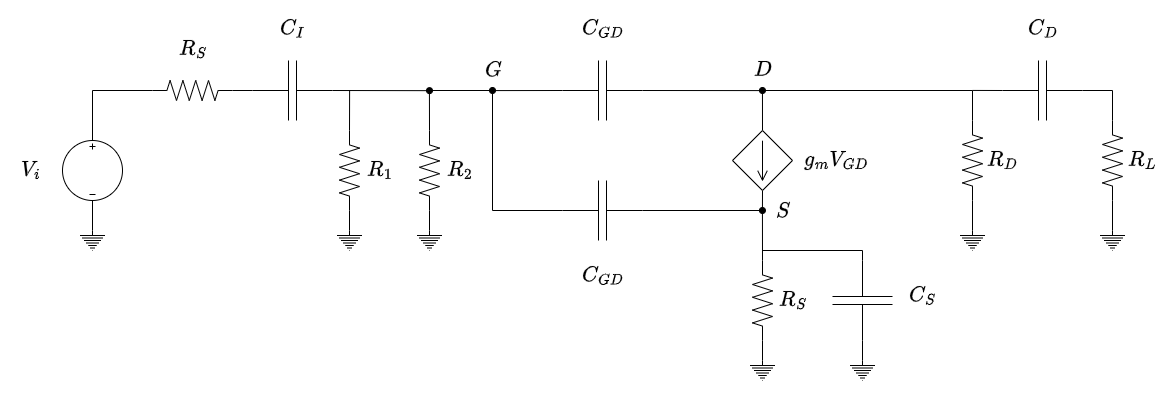
Se andiamo a considerare i condensatori nello studio dell’amplificatore MOSFET a drain comune otteniamo questo circuito:

Per analizzare la risposta in frequenza dobbiamo quindi sfruttare la relazione: \(H(s) = \frac{V_u(s)}{V_i(s)}\)
Questo esercizio, per quanto tedioso, è comunque risolvibile con delle ottime basi di elettrotecnica.
Tuttavia, si presenta il problema che le capacità dei condensatori all’interno del circuito sono molto diverse tra loro:
Quello che si fa quindi, invece di analizzare tutta la risposta in frequenza in un colpo solo, si divide o studio in:
| Condesatori Esterni | Condensatori Interni | |
|---|---|---|
Risposta in Bassa FrequenzaLF |
ATTIVI | CIRCUITI APERTI |
Risposta in Media FrequenzaCentro Banda |
CORTO CIRCUITI | CIRCUITI APERTI |
Risposta in Alta FrequenzaHF |
CORTO CIRCUITI | ATTIVI |
Lo lo studio dell’amplificatore MOSFET a drain comune che abbiamo fatto in precedenza è proprio uno studio in risposta in media frequenza.
Tipicamente il diagramma di ampiezza della risposta in frequenza è qualcosa del genere:

Chiamiamo:
I circuiti che hanno queto diagramma di Bode, si dicono accoppiati in AC (AC paired). Infatti, per segnali a basse freqeunze la risposta in frequenza è pari a zero.
Esistono anche altri tipi di sistemi che hanno questa risposta in frequenza:

In questo caso questi sistemi non hanno una zona LF, e si dice che sono sistemi accoppiati in DC (DC paired).
Ai nostri fini affrontiamo una versione “semplificata” della reazione.
Dal punto di vista elettronico quello che abbiamo è la seguente cosa:

La rete di prelievo può prelevare:
La rete sommatrice può essere di:
Le semplificazioni che facciamo nello studiare la Teoria della Reazione sono:
- L’Amplificatore $A$ è un circuito unidirezionale, dove il segnale può andare solo dalla rete sommatrice alla rete di prelievo
- La rete di reazione $\beta$ è un circuito unidirezionale, dove il segnale può andare solo dalla rete di prelievo alla rete sommatrice
- $\beta \not\propto R_S,R_L$, ovvero la rete di reazione non dipende da $R_S, R_L$
Con queste semplificazioni il nostro schema a blocchi diventa:

Da questo circuito possiamo dire: \(H(s) = \frac{x_o(s)}{x_s(s)}\)
Sappiamo poi che: \(\begin{CD} \underbrace{ \begin{align*} x_o &= A x_i \\ x_i &= x_s + x_f \\ x_f &= \beta x_o \end{align*} } \\ @VVV \\ { \begin{align*} x_o &= A(x_s + \beta x_o) \\ (1-\beta A)x_o &= Ax_s \\ \frac{x_o}{x_s} &= \frac{A}{1 - \beta A} \end{align*} } \end{CD}\)
Abbiamo quindi che la risposta in frequenza: \(\large \boxed{ H(s) = \frac{x_o}{x_s} = \frac{A}{1 - \beta A} }\)
Chiamiamo:
A seconda del rapporto tra guadagno ad anello aperto e guadagno ad anello chiuso si chiama: \(\begin{matrix} |H| < |A| & \textbf{Reazione Negativa} \\ |H| > |A| & \textbf{Reazione Positiva} \end{matrix}\)
Storicamente si utilizzala la reazione positiva, che però comporta garndissimi rischi di stabilità del sistema. Questo era dovuto alle tipologia di MOSFET che erano disponibili. Oggi le componenti che abbiamo producono guadagni molto elevati, che ci permettono di reazionarli negativamente senza problemi.
Per capire perché dovremmo reazionare negativamente il sistema, vediamo cosa accade quando aumentiamo il guadagno ad anello aperto dell’amplificatore: \(\lim_{A \to \infty}{H(s)} = \lim_{A \to \infty}{\frac{A}{1 - \beta A}} = -\frac{1}{\beta}\)
Questa scelta ci quindi permette di avere un guadagno ad anello chiuso indipendente dalle caratteristiche dell’amplificatore, producendo un sistema stabile e predicibile.
Immaginiamo di avere un prelievo di tensione:
Per riuscire a capire il valore della resistenza di feedback $R_{of}$, è conveniente sfruttare la relazione: \(R_{of} = \frac{V_{OC}}{I_{CC}} := \frac{\text{Tensione Circuito Aperto}}{\text{Corrente cortocircuito}}\)
La tensione in circuito aperto è semplice da ricavare, in quanto è quella di uscita dell’amplificatore: \(V_{OC} = \frac{A}{1 - \beta A}x_s\)
Per quanto riguarda la corrente di corto circuito, equivale a mettere in corto circuito l’uscita. Fare qeusto comporta che gli effetti della reazione vengono annullati.
In questo caso otteniamo non solo che $x_s = x_i$, quindi $x_f = 0$, ma torniamo proprio allo studio che avevamo fatto precedentemente sugli amplificatori: \(I_{CC} = \frac{A x_i}{R_o} = \frac{A}{R_o} x_s\)
La reazione di feedback quindi: \(R_{of} = \frac{V_{OC}}{I_{CC}} = \frac{Ax_s}{1 - \beta A} \cdot \frac{R_o}{Ax_s} = \frac{R_o}{1 - \beta A}\)

La reazione non solo modifica la funzione di trasferimento, ma, nel caso di prelievi di tensione, andiamo a modificare anche la resistenza di uscita.
Nel caso di reazione negativa, ovvero $\beta A \gg 1$, quello che accade è che $R_{of} \approx 0$, ovvero è come se fosse in corto circuito, assimilando il nostro sistema ad un generatore di tensione costante.
Analogamente anche la resistenza di ingresso viene modificata a seconda che si faccia una rete sommatrice in serie o in parallelo.
Sono degli amplificatori che agiscono sulla differenza tra due segnali.
Da un punto di vista funzionale, lo possiamo vedere come un quadripolo con:
Nel caso ideale la relazione tra le entrate e l’uscita è: \(V_u = K\cdot (V_1 - V_2)\)

Per studiare questo tipo di amplificatori, e verificare che amplifichino solamente la differenza tra i due segnali, dobbiamo definire degli oggetti: \(\begin{cases} V_d := V_1 - V_2 & \textbf{Segnale A Modo Differenziale} \\[1em] V_c := \frac{V_1 + V_2}{2} & \textbf{Segnale a Modo Comune} \\[1em] A_d := \frac{V_u}{V_d} & \textbf{Guadagno del Modo Differenziale} \\[1em] A_c := \frac{V_u}{V_c} & \textbf{Guadahno del Modo Comune} \end{cases}\)
Negli Amplificatori Differenziali Ideali abbiamo che:
Negli Amplificatori Differenzili Reali questo non accade, ma abbiamo un segnale di uscita che dipende in qualche modo anche dal modo comune. Per misurare questa quantità introduciamo il $\operatorname{CMRR}$ (Common Mode Rejection Ratio): \(\operatorname*{CMRR} := \frac{A_d}{A_c}\Bigg|_{dB}\)
Nel caso ideale $\operatorname*{CMRR} \to \infty$.
Si classificano buoni amplificatori differenziali, quegli amplificatori il quale $\operatorname{CMRR} \ge 80 \div 150$ $dB$
È possibile dimostrare che le tensioni di ingresso sono linearmente dipendenti da $V_d$ e $V_c$: \(\begin{align*} {V_d \over 2} + V_c &= \frac{V_1}{2} - \frac{V_2}{2} + \frac{V_1}{2} + \frac{V_2}{2} = V_1 \\[1em] V_c - {V_d \over 2} &= \frac{V_1}{2} + \frac{V_2}{2} - \frac{V_1}{2} + \frac{V_2}{2} + = V_2 \end{align*}\)
Possiamo quindi scrivere: \(\large \begin{align*} V_1 &= V_c + \frac{V_d}{2} \\ V_2 &= V_c - \frac{V_d}{2} \end{align*}\)
Per quanto riguarda le amplificazioni le possiamo mettere in relazione all’uscita \(\begin{CD} \underbrace{ \begin{matrix} A_1 = \frac{V_u}{V_1}\Bigg|_{V_2 = 0} & & A_2 = \frac{V_u}{V_2}\Bigg|_{V_1 = 0} \end{matrix} } \\ @VVV \\ \begin{align*} V_u &= V_1A_1 + V_2A_2 \\ &= \Bigl(V_c + \frac{V_d}{2}\Bigr)A_1 + \Bigl(V_c -\frac{V_d}{2}\Bigr)A_2 \\ &= V_c (A_1 + A_2) + V_d \Bigl(\frac{A_1-A_2}{2}\Bigr) \\ &= V_c A_c + V_d A_d \end{align*} \end{CD}\)
Abbiamo dimostrato quindi che l’uscita è lienarmente dipendente dai guadagni in relazione alle tensioni di ingresso.
Una particolarità degli amplificatori differenziali è che se in ingresso vi sono due segnali con rumore, dove il rumore è simile tra i due, il segnale in uscita sarà più “pulito”, in quanto il rumore di uno e quello dell’altro vengono annulllati a vicenda.
OPAConsiste in un Amplificatore Differenziale accoppiato in DC.
Al suo interno sono presenti circa una ventina di transistori, ed è stato da sempre utilizzato per effettuare delle operazioni su dei segnali di ingresso (moltiplicazioni, divisioni, logaritmi, integrali, …)
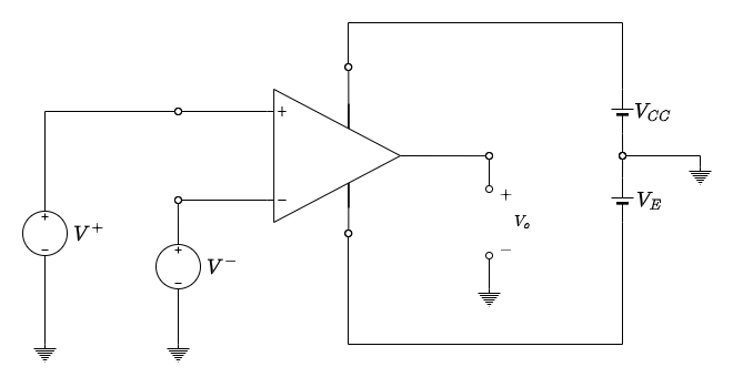
Il suo simbolo circuitale è quello sulla destra.
Possiede un certo numero di piedini, tipicamente $8$, di cui $5$ sono fondamentali:
+)-)La tensione di base dell’amplificatore è presa sul nodo a comune dei terminali di alimentazione.
La tensione dei terminali di alimentazione è anche detta rail.
La tensione di uscita $V_o$ è presa in riferimento al nodo comune, e varia sempre tra le tensioni di alimentazione. In quegli amplificatori in cui $V_{CC} \ge V_o \ge V_E$ si dice che operano rail-to-rail.

Tipicamente i due terminali di alimentazione non sono riportati nei circuiti, ma è importante sapere che ci sono e sono il motivo per il quale l’amplificatore funziona.
Per variazioni differenziali il circuito equivalente è il seguente:
Le relazioni che valgono in questo circuito sono: \(\begin{cases} V_{IN} = (V^+ - V^-) = V_d \\ A_{V_{OL}} = A_d \end{cases}\)

$V_{OL}$ sta per tensione di ciclo aperto o di open-loop.
I valori di riferimento degli amplificatori operazionali sono i seguenti:
| Ideale | Reale | |
|---|---|---|
| $A_{V_{OL}} = A_d$ | $\infty$ | $10^5 \div 10^6$ |
| $R_{IN}$ | $\infty$ | $1 \div 3$ $M\Omega$ |
| $R_{O}$ | $0$ | $10 \div 30 \Omega$ |
| Banda | $\infty$ | $4 \div 10$ $Hz$ |
Prodotto Guadagno-BandaPGB |
$\infty$ | $10^5 \div 10^6$ |
| $\operatorname{CMRR}$ | $\infty$ | $90 \div 120$ $dB$ |
La banda è il valore che si discosta di più tra modello ideale e modello reale. Questo avviene per motivi di stabilità del sistema. Tuttavia, quando li utilizziamo in loop-reazione notiamo che il prodotto guadagno banda si conserva. Ciò implica che possiamo utilizzare amplificatori con guadagno più piccolo per ampliare la banda, senza perdere di stabilità.
La caratteristica di uscita degli amplificatori operazionali è la seguente:

Non sempre la tensione di uscita con $V_{IN} = 0$ è nulla. In alcuni amplificatori è infatti presente un piedino per far in modo che questo avvenga
Notiamo che, fuori dalle zone di saturazione, la tensione di uscita è linearmente proporzionale alla differenza di tensione di ingresso.
Se prendessimo un amplificatore con $A_{V_{OL}} = 10^5$ e $V_{CC} = -V_E = 10$ $V$ otteniamo che: \(\large \begin{matrix} \frac{V_{CC}}{A_{V_{OL}}} = 10^{-4} & & \frac{V_E}{A_{V_{OL}}} = -10^{-4} \end{matrix}\)
Otteniamo quindi che il range di tensioni nelle quali il nostro amplificatore opera è tra $-0.1$ e $0.1$ $mV$. Il valore di rumore è molto spesso molto più alto, e porta il nostro amplificatore a saturarsi.
Per riuscire quindi a utilizzarlo in loop chiusi senza portarlo in saturazione, lo montiamo in reazione negativa. Questa configurazione ci farà sì perdere molto in guadagno (passando da un guadagno di $10^5$ anche fino a un “misero” $10$), ma ci permette di utilizzarlo sempre nella zona lineare, evitandoci la saturazione.
MCCVQuesto metodo inserisce l’amplificatore operazionale all’interno di un circuito.

Se questo circuito rispetta le seguenti ipotesi, allora ci permette di trattare il circuito in modo molto semplice.
Le ipotesi sono due:
OPA agisce in zona lineareVerificate queste la conseguenza principale è che: \(\LARGE V^+ \approx V^-\)
Oltre a giustificare il nome del metodo (corto-circuito), ci dice non solo che la differenza di tensione ai due capi è quasi nulla, quindi coerente con l’ipotesi di zona lineare, ma ci permette di dire che le correnti nei terminali di ingresso, in relazione alla resistenza equivalente di ingresso $R_{IN}$, sono praticamente nulle: \(\begin{CD} { V^+ - V^- = R_{IN} \cdot (i^+ - i^-) } \\ @V{V^+ \approx V^-}VV \\ { 0 \approx R_{IN} \cdot (i^+ - i^-) } \\ @VVV \\ { i^+ \approx i^- \approx 0 } \end{CD}\)
Il seguente circuito rappresenta un sistema in reazione negativa di tensione.
Ipotizzando di essere nell’ipotesi del MCCV, ovvero che:
\(\begin{cases}
V^+ \approx V^- \\
i^+ \approx i^- = 0
\end{cases}\)
Possiamo quindi scrivere che: \(V^+ = V_s = V^-\)
La corrente $i_1$: \(i_1 = \frac{V_s}{R_1}\)
E sarà uguale alla corrente $i_2$, dato che $i^- = 0$.
Di conseguenza otteniamo che la tensione di uscita $V_o$: \(\begin{align*} V_o &= R_2i_2 + R_1i_1 \\ &= (R_2 + R_1) i_1 \\ &= (R_2 + R_1) \cdot \frac{V_s}{R_1} \\ &= V_s\Bigl(1 + \frac{R_2}{R_1}\Bigr) \end{align*}\)

Il circuito avrà quindi un amplificazione totale che vale: \(\LARGE \boxed{ A =\frac{V_o}{V_s} = 1 + \frac{R_2}{R_1} }\)
L’Amplificazione quindi è:
La Resistenza Di Uscita $R_{of}$: \(\begin{CD} { R_{of} = \frac{R_{OPA}}{1 - \beta A} } @>{\beta A \gg 1 \atop R_{OPA} \not\gg 0}>> { R_{of} = 0 } \end{CD}\)
La Resistenza Di Ingresso $R_{in}$: \(R_{in} = \frac{V_s}{i_s} = +\infty\)
Possiamo quindi utilizzare questo circuito all’interno di un altra configurazione:
Ponendo $R_2 = 0$ otteniamo un guadagno $A = 1$, quindi una mera propagazione del segnale.
Definiamo Buffer:
Un Amplificatore Non Invertente che rispetta: \(\begin{cases} R_{of} = \frac{R_{OPA}}{1 - \beta A} = 0 \\ R_{in} = \frac{V_s}{i_s} = 0 \\ R_2 = 0 \\ A = 1 \end{cases}\)

Il Buffer ci permette di propagare la tensione ignorando le resistenze a monte dell’amplificatore, rendendo l’intero circuito a monte come se fosse un unico grande generatore di tensione.
Lo schema è simile a quello che avbiamo già visto per il non invertente.
L’unica differenza è che la tensione di ingresso non è applicata sul polo non invertente dell’amplificatore (+), ma su quello invertente (-).
Analogamente a quanto fatto prima, analizziamo questo circuito nell’ipotesi del MCCV:
\(\begin{cases}
V^+ \approx V^-
i^+ \approx i^- \approx 0
\end{cases}\)
Con questa ipotesi, dato che la corrente entrante $i^- \approx 0$, possiamo dire: \(\begin{align*} i_1 &= \frac{V_s}{R_1} \\ i_2 &= i_1 \end{align*}\)
Seguendo quindi la maglia fino al polo $V^- \approx 0$: \(\begin{align*} V_o &= -R_2i_2 \\ &= -R_2i_1 \\ &= -R_2 \frac{V_s}{R_1} \end{align*}\)

Il circuito avrà quindi un amplificazione totale che vale: \(\LARGE \boxed{ A =\frac{V_o}{V_s} = -\frac{R_2}{R_1} }\)
L’Amplificazione quindi è:
Per quanto riguarda le resistenze viste, per quanto riguarda l’impedenza di uscita $R_{of}$ è analoga a quella che avevamo calcolato per il non invertente: \(R_{of} = 0\)
La resistenza vista di entrata $R_{in}$ invece: \(\begin{align*} R_{in} &= \frac{V_s}{i_s} \\ i_s &= i_1 = \frac{V_s}{R_1} \\ R_{in} &= R_1 \end{align*}\)
Questa formazione quindi ha: \(\begin{align*} R_{of} &= 0 \\ R_{in} &= R_1 \end{align*}\)
Il problema dell’amplificatore non invertente e invertente presi singolarmente è che riescono ad operare solamente in ipotesi MCCV.
Per riuscire ad essere liberi di avere degli amplificatori differenziali che riescano ad operate anche fuori da questa ipotesi un opzione è quella di utilizzare la seguente conformazione ibrida tra le due:
L’analisi del circuito è sempre la stessa. Ipotizziamo per comodità l’ipotesi MCCV, che ci permette di sfruttare la sovrapposizione degli effetti:

Ipotesi 1
Nell’ipotesi che: \(V_1 \ne 0 \qquad\wedge\qquad V_2 = 0\)
Il circuito è il seguente:

In questa conformazione: \(V^+ = \frac{R_4}{R_3 + R_4}V_1\)
A questo punto siamo tornati nel caso dell’Amplificatore non Invertente: \(\begin{align*} V_{o1} &= \Bigl(1 + \frac{R_2}{R_1}\Bigr)V^+ \\ &= \Bigl(1 + \frac{R_2}{R_1}\Bigr)\frac{R_4}{R_3 + R_4}V_1 \end{align*}\)
Ipotesi 2
Nella seconda ipotesi: \(V_1 = 0 \qquad\wedge\qquad V_2 \ne 0\)
Il circuito diventa il seguente:

Dato che $i^+ = 0$ e $V^+ \approx = 0$, significa che le resistenze $R_3, R_4$ è come se non ci fossero, ovvero come se stessimo studiando l’amplificatore invertente: \(V_{o2} = -\frac{R_2}{R_1}V_2\)
Mettiamo adesso insieme i due risultati: \(\begin{align*} V_o &= V_{o1} \\ &= \Bigl(1 + \frac{R_2}{R_1}\Bigr)\frac{R_4}{R_3 + R_4}V_1 - \frac{R_2}{R_1}V_2 \end{align*}\)
Dato che vogliamo un’equazione del tipo: \(V_o = K(V_1 - V_2)\)
Imponiamo che se $V_1 = V_2$ allora abbiamo che $V_o = 0$: \(\begin{align*} \frac{R_4}{R_4 + R_3}\Bigl(1 + \frac{R_2}{R_1}\Bigr) - \frac{R_2}{R_1} &= 0 \\[1em] \frac{R_4}{R_4 + R_3}\Bigl(1 + \frac{R_2}{R_1}\Bigr) &= \frac{R_2}{R_1} \\[1em] \frac{R_4}{R_4 + R_3} &= \frac{R_2}{R_1} \cdot \frac{R_1}{R_1 + R_2} \\[1em] \frac{R_4}{R_4 + R_3} &= \frac{R_2}{R_1 + R_2} \\[1em] \frac{R_4 + R_3}{R_4} &= \frac{R_1+R_2} {R_2} \\[1em] \frac{R_3}{R_4} + 1 &= \frac{R_1}{R_2} + 1 \\[1em] \frac{R_3}{R_4} &= \frac{R_1}{R_2} \end{align*}\)
Otteniamo quindi che la condizione è vera se: \(\Large \boxed{ \frac{R_3}{R_4} = \frac{R_1}{R_2} }\)
Per calcolare ora il valore del fattore $K$: \(\begin{align*} V_o &= V_1 \frac{R_2}{R_1 + R_2} \Bigl(\frac{R_1 + R_2}{R_1}\Bigr) -V_2 \frac{R_2}{R_1} \\ &= \frac{R_2}{R_1}(V_1 - V_2) \end{align*}\)
Avremo quindi un fattore: \(K = \frac{R_2}{R_1}\)
In questo caso l’ipotesi MCCV non è più a carico delle tensioni che sono ai poli dell’amplificatore, ma è dipendente esclusivamente dalle resistenze.
Praticamente spesso questo circuito viene creato avendo $R_4$ resistenza variabile e ponendo $V_1 = V_2$. A quel punto si fa variare $R_4$ finché non si ottiene $V_o = 0$.
Per quanto riguarda la Resistenza Vista di Uscita vale ancora: \(R_{of} = 0\)
Per parlare invece di Resistenza Vista di Ingresso, come è possibile vedere dall’immagine ne possiamo calcolare 2: \(\begin{matrix} \begin{aligned} R_{I_1} &= \frac{V_1}{i_1}\Bigg|_{V_2 = 0} \\ i_1 &= \frac{V_1}{R_3 + R_4} \\ R_{I_1} &= R_3 + R_4 \end{aligned} & & \begin{aligned} R_{I_2} &= \frac{V_2}{i_2}\Bigg|_{V_1 = 0} \\ i_2 &= \frac{V_2}{R_1} \\ R_{I_2} &= R_1 \end{aligned} \end{matrix}\)
Se quindi abbiamo operiamo nell’ipotesi che $\frac{R_1}{R_2} = \frac{R_3}{R_4}$ questa conformazione ha: \(\operatorname*{CMRR} \to \infty\)
La configurazione di questo circuito è molto semplice:
Il circuito è simile a quello di un Amplificatore Invertente, dove però colleghiamo due segnali in entrata.
Le due correnti: \(\large \begin{matrix} i_1 = \frac{V_1}{R_1} && i_2 = \frac{V_2}{R_3} \end{matrix}\)
Le correnti al nodo, sempre in ipotesi MCCV:
\(\begin{align*}
i_2 &= i_1 + i_3 \\
&= \frac{V_1}{R_1} + \frac{V_2}{R_3}
\end{align*}\)
La tensione di uscita sarà quindi: \(\begin{align*} V_o &= -R_2i_2\\ &= -R_2\Bigl(\frac{V_1}{R_1} + \frac{V_2}{R_3}\Bigr) \end{align*}\)
Se ipotizziamo $R_1 = R_3 = R$: \(\begin{align*} V_o &= -R_2i_2\\ &= -\frac{R_2}{R}(V_1 + V_2) \end{align*}\)

È un Amplificatore Non Invertente dove la reazione è fatta sfruttando invece di una resistenza un condensatore.

Lo studio può essere fatto sia nel Dominio di Laplace che nel Dominio del Tempo.
Studio Nel Dominio di Laplace
In questa conformazione è immediato capire che: \(\begin{align*} V_o(s) &= - \frac{Z_2}{Z_1} V_s(s) \\ &= -\frac{1}{Cs}\frac{1}{R} V_s(s) \\ &= - \frac{1}{RC} \frac{1}{s} V_s(s) \end{align*}\)
Applicando l’antitrasformata otteniamo che nel tempo: \(\large \boxed{ V_o(t) = -\frac{1}{RC} \cdot \int_{0}^{t}{V_s(\tau)\;d\tau} + V_o(0) }\)
Studio Nel Dominio Del Tempo
Nell’ipotesi del MCCV:
\(\begin{align*}
i_R = i_C &= \frac{V_s}{R} \\
&= \frac{dq}{dt} = C \cdot \frac{dV_c}{dt}
\end{align*}\)
Inoltre, poiché $V^- = 0$ per l’ipotesi, abbiamo che: \(V_o = -V_c\)
Sostituendo: \(\begin{align*} \frac{V_s}{R} &= - \frac{dV_o}{dt} C \\ \frac{dV_o}{dt} &= - \frac{1}{RC}V_s \\ V_o(t) &= -\frac{1}{RC} \int_0^t{V_s(\tau)\;d\tau} + V_o(0) \end{align*}\)
Questo circuito ha il problema che NON È STABILE BIBO.
Nel dominio di Laplace abbiamo visto come ha un polo nell’origine, ma possiamo anche vedere come se $V_s(t) = E < 0$ e $V_o(0) = 0$: \(V_o(t) = -\frac{E}{RC}t\)
Se grafichiamo:

La saturazione OPA è dovuta al Condensatore. Per evitare questo problema si mette spesso un interruttore o una resistenza in parallelo al condensatore per scaricarlo.
Se invertissimo resistenza e condensatore otterremo un Circuito Derivatore.